产品介绍
product presentation典型应用:
1、SDL、SDLT泵为立式多级离心泵,其管道式结构可以确保泵壳直接安装在进出在同一水平线上且管径相同的水平管路系统中,这种设计使泵的结构和管路更为紧凑。
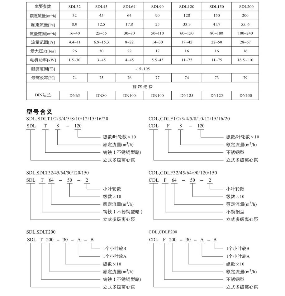
2、SDL,SDLT泵有不同的泵规格和不同级数,以满足所需的流量和压力。
3、SDL(T)是一种多功能产品,可以输送从自来水到工业液体的各种不同介质,适用于不同温度,流量和压力范围。
4、SDLT适用于无腐蚀性液体,SDL适用于轻度腐蚀性液体。
5、供水:水厂过滤与输送、水厂分区送水、主管网增压、消防系统、汽车清洗。
6、工业液体输送:冷却和空调系统、锅炉给水,和冷凝系统、机床配套。
7、输送:油和酒精、酸和碱、乙二醇和冷却剂。
8、水处理:超滤系统、反渗透系统、蒸馏系统、分离器、游泳池。
9、灌溉:区域灌溉、喷灌、滴管。
泵说明
SDL(T)为配用标准电机的非自动立式多级离心泵,电机轴和泵轴用联轴器直接连接,把拉杆用螺母将外筒,过流不见固定在支架和进出水体之间,泵进出水口在泵底部的同一直线上。
泵可根据需要配置智能保护器,对泵的干转,缺相,过载等进行有效的保护。
电机
电机为全封闭,风冷式二级标准电机
防护等级:IP55
绝缘等级:F
标准电压:50Hz:1x200-230/240V
3x200-220/346-380V
3x220-240/380-415V
3x220-255/380-440V
其它电压的电机按要求可供
单相电机从0.37~2.2kW可供。


公司优势
COMPANY ADVANTAGE热品推荐
Hot product